Los circuitos neumáticos e hidráulicos son muy similares respecto a lo que se refiere a la simbiología, variando solo en aspectos como la generación de presión. En la realidad la diferencia está en la robustez y complicación que hay de los circuitos hidráulicos respecto a los neumáticos, esto conlleva también un costo mayor.
Presentación online sobre Conceptos Elementos y Esquemas de Circuitos Neumáticos
(Descargar si no se ve completa en línea)
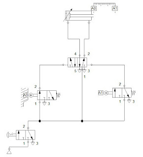
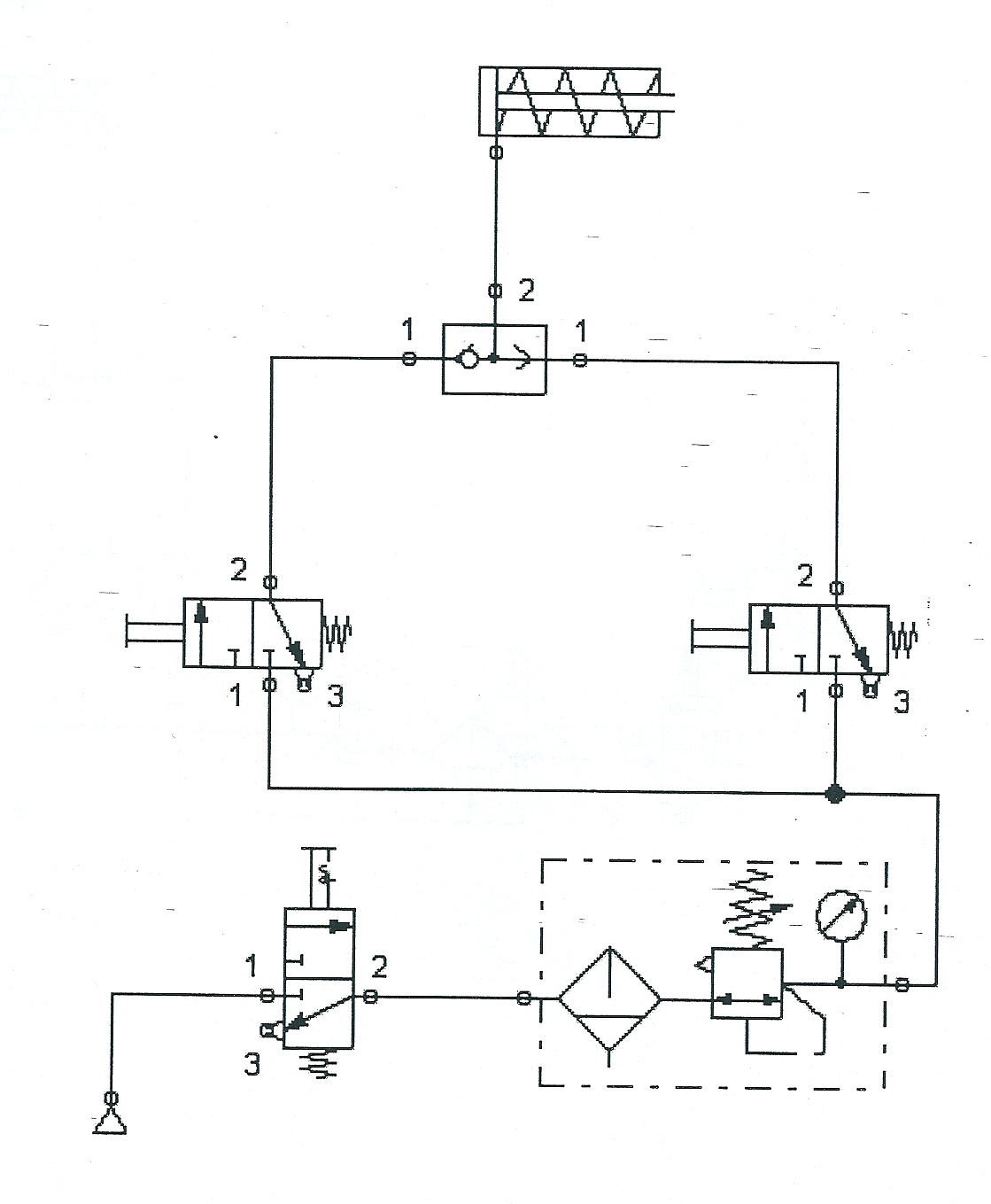
Acontinuación circuito neumático visto en clase y graficas espacio-fase:
FLUIDSIM de neumática demo
-- enlace para descarga -- enlace 2
FluidSim de neumática PORTABLE (que no hay que instalarlo=
- enlace de descarga -
FLUIDSIM de hidráulica demo
-- enlace para descarga -- enlace 2
(el alumnado no necesita ningún tipo de código - es gratuito)
Descargas de los manuales de uso
EJEMPLOS A REPRODUCIR
Aparte de los circuitos mandados para casa, también se incluyen aquí algunos para hacer en el futuro:





























No hay comentarios:
Publicar un comentario